高清、液晶、等离子电视中广泛的应用了MOS管,以取代过去的大功率晶体三极管(BJT),大大的提高了整机的效率、可靠性、降低了整机的故障率。然而,MOS 管和大功率晶体三极管有着本质的区别;在应用上,MOS管的驱动电路也比晶体三极管复杂。这些都致使维修师傅们对电路、故障的分析倍感困难。
MOS管的英文全称是 MOSFET(Metal Oxide Semiconductor Field Effect Transistor),即金属氧化物半导体型场效应管,属于场效应管中的绝缘栅型。因此, MOS 管有时也被称为绝缘栅场效应管。在电子电路中,MOS 管通常被用于放大电路或开关电路。
MOS 管的构造:
在一块掺杂浓度较低的 P 型半导体硅衬底上,用半导体光刻、扩散工艺制作两个高掺杂浓度的 N+区,并用金属铝引出两个电极,分别作为漏极 D 和源极 S。然后,在漏极和源极之间的 P 型半导体表面覆盖一层很薄的二氧化硅(Si02)绝缘层膜,再为这个绝缘层膜装上一个铝电极,作为栅极 G。这就构成了一个 N 沟道(NPN 型)增强型 MOS 管,如图2.1所示。显然,它的栅极和其他电极间是绝缘的。
用同样的方法,在一块掺杂浓度较低的 N 型半导体硅衬底上,用半导体光刻、扩散工艺制作两个高掺杂浓度的 P+区,栅极制作过程同上,就制成了一个P沟道(PNP 型)增强型 MOS 管,如图2.2所示。

(a)结构 (b)符号 (a) (b)
图 2.1 图 2.2
MOS 管的工作原理:
以 N 沟道 MOS 管为例,其工作原理如图 2.3 所示:

(a) (b)
图 2.3
从图2.3(a)可以看出,增强型 MOS 管的漏极 D 和源极 S 之间有两个背靠背的 PN 结。 当栅-源电压 VGS=0 时,即使加上漏-源电压 VDS,也总有一个 PN 结处于反偏状态,漏-源极 间没有导电沟道(没有电流流过)。这时,漏极电流 ID=0。
此时,若在栅-源极间加上正向电压,即 VGS>0,则栅极和硅衬底之间的 SiO2 绝缘层中产生一个栅极指向 P 型硅衬底的电场,如图2.3(b)所示。由于氧化物层是绝缘的,栅极所加电压 VGS 无法形成电流,氧化物层的两边就形成了一个电容,VGS 等效于对这个电容充电,并形成一个电场。随着 VGS 逐渐升高,受栅极正电压的吸引,这个电容的另一边就聚集大量的电子并形成一个从漏极到源极的 N 型导电沟道。当 VGS 大于管子的开启电压 VT(我们把开始形成沟道时的栅-源极电压称为开启电压 VT,一般约为 2V)时,N 沟道管开始导通,形成漏极电流 ID。控制栅极电压 VGS 的大小改变电场的强弱,就可以控制漏极电流 ID 的大小。亦即 MOS 管用电场来控制电流,因此也称之为场效应管。
MOS 管的特性:
(1)MOS 管是一个通过改变电压来控制电流的器件,所以是电压器件。
(2)MOS 管的输入特性为容性,所以输入阻抗极高。 2.1.4 MOS 管的电压极性和符号规则
图 2.4(a)是 N 沟道 MOS 管的符号,D 是漏极,S 是源极,G 是栅极,中间的箭头表示衬底。如果箭头向里,则表示的是 N 沟道 MOS 管;若箭头向外,则表示的是 P 沟道 MOS 管。 在实际生产过程中,MOS 管的衬底在出厂前就和源极连接好了,故符号中表示衬底的箭头也必须和源极相连接,以区别漏极和源极。图 2.5(a)是 P 沟道 MOS 管的符号。
实际应用中,MOS 管的电压极性和普通晶体三极管相同,N 沟道 MOS 管类似于 NPN 型晶体三极管,漏极 D 接正极,源极 S 接负极,栅极 G 接正电压时导电沟道建立,N 沟道 MOS 工作,如图2.4(b)所示。同样,P 沟道 MOS 管类似于 PNP 型晶体三极管,漏极 D 接负极,源极 S 接正极,栅极 G 接负电压时导电沟道建立,P 沟道 MOS 管开始工作,如图2.5(b)所示。

(a) N 沟道 MOS 管符号 (b) N 沟道 MOS 管电压极性及衬底连接
图 2.4

(a) P 沟道 MOS 管符号 (b) P 沟道 MOS 管电压极性及衬底连接
图 2.5
MOS管和晶体三极管的特性对比
(1)MOS 管的源极 S、栅极 G、漏极 D 分别对应于三极管的发射极 e、基极 b、集电极 c,它们的作用相似,其管脚对应如图2.6所示。

(a) (b)
图 2.6
(2)MOS 管是电压控制电流器件,由 VGS 控制 ID;普通晶体三极管是电流控制电流器件,由 Ib 控制 Ic。MOS 管的放大系数是 gm(跨导),即栅极电压改变 1V 时能引起漏极电流变化的 多少;晶体三极管的放大系数是 β(贝塔),即基极电流改变 1mA 时能引起集电极电流变 化的多少。
(3)MOS 管的栅极和其他电极是绝缘的,不产生电流;而三极管工作时的基极电流 Ib 决定 集电极电流 Ic。因此,MOS 管的输入电阻比三极管要高得多。
(4)MOS 管只有多数载流子参与导电;三极管有多数载流子和少数载流子两种载流子参与 导电。由于少数载流子浓度受温度、辐射等因素影响较大,所以 MOS 管的温度稳定性比三极 管好。
(5)MOS 管在源极未与衬底连在一起时,源极和漏极可以互换使用,且特性变化不大;而 三极管的集电极与发射极互换使用时,其特性差异很大,β 值将减小很多。
(6)MOS 管的噪声系数很小,适用于低噪声放大电路的输入级及要求信噪比较高的电路。
(7)MOS 管和晶体三极管均可组成各种放大电路和开关电路,但 MOS 管制造工艺简单,并且又具有普通晶体三极管不能比拟的优秀特性,正逐步取代普通晶体三极管。目前的大规模和超大规模集成电路中,已经广泛采用 MOS 管。
开关电源中使用大功率MOS管的优势
1.输入阻抗高,驱动功率小
由于栅-源之间是二氧化硅(SiO2)绝缘层,其直流电阻基本上就是 SiO2 的绝缘电阻,一般达 100MΩ左右;交流输入阻抗基本上就是输入电容的容抗。由于输入阻抗高,对激励信号不会产生压降,有电压就可以驱动,所以驱动功率极小(灵敏度高)。一般的晶体三极管必须有基极电压 Vb,才产生基极电流 Ib,才能驱动集电极电流。因此,晶体三极管的驱动是需要功率的(Vb×Ib)。
2.开关速度快
MOS 管的开关速度和输入容性特性有很大关系。输入容性特性的存在,使开关速度变慢;但是,作为开关运用时,可降低驱动电路内阻,加快开关速度(输入采用了后述的“灌流电 路”驱动,加快了输入容性的充放电时间)。另外,MOS 管只靠多数载流子导电,不存在少数载流子存储效应,因而关断过程非常迅速,开关时间在10~100ns 之间,工作频率可达 100kHz 以上;普通晶体三极管由于少数载流子的存储效应,其开关总存在滞后现象,影响。开关速度。目前,采用 MOS 管的开关电源工作频率可以轻易做到100~150kHz,这对于普通大功率晶体三极管来说是难以想象的。
3. 无二次击穿
对于普通大功率晶体三极管,温度上升会导致其集电极电流上升(正温度-电流特性),而集电极电流的上升又会导致温度进一步上升,再次导致集电极电流上升……恶性循环。而晶体三极管的耐压(VCEO)是随管温升高而逐步下降的,这就形成了管温继续上升、耐压继续下降,最终导致晶体三极管的击穿。这正是导致过去电视中开关电源管和行输出管损坏率占95%的破环性热击穿现象,也称为二次击穿现象。MOS 管具有和普通晶体三极管相反的温度-电流特性,当管温(或环境温度)上升时,沟道电流 IDS 反而下降。例如,一只 IDS=10A 的 MOS 开关管,当控制电压 VGS 不变时,250C 下的 IDS=3A;当管温升高到 1000C 时,IDS 降低到 2A。这种因温度上升而导致沟道电流 IDS 下降的负温度-电流特性,使得 MOS 管不会产生恶性循环而热击穿。也就是说,MOS 管没有二次击穿现象。可见,采用 MOS 管作为开关管,损坏率将大幅度的降低。近两年,电视中的开关电源采用 MOS 管代替普通晶体三极管后,开关管损坏率大大降低就是一个极好的证明。
4.MOS 管的导通特性呈纯阻性
普通晶体三极管在饱和导通时;几乎是直通,有一个极低的压降,称为饱和压降。既然有一个压降,那么普通晶体三极管在饱和导通后等效于一个阻值极小的电阻。很可惜,这个等效电阻是一个非线性电阻,电阻上的电压和流过的电流不能符合欧姆定律。MOS 管作为开关管应用时,其饱和导通后也存在一个阻值极小的电阻,但这个电阻等效于一个线性电阻,其阻值和两端的电压降、流过的电流符合欧姆定律:电流大压降就大,电流小压降就小。这样,当两个 MOS 管并联应用时,相当于两个线性电阻并联,能起到自动电流平衡的作用。因此,在一个 MOS 管功率不够的时候,可以多管并联应用,且不必另外增加平衡措施(非线性器件是不能直接并联应用的)。
基于以上4个优势,MOS 管足以在开关运用状态下取代普通晶体三极管。最后需要说明的是,目前技术条件的 MOS 管道 VDS 最大只能做到 1000V,只能作为开关电源的开关管应用;随着制造工艺的不断进步,VDS 的不断提高,取代 CRT 电视的行输出管也是能实现的。
灌流电路
MOS 管用作开关管时的特殊驱动电路——灌流电路作为大功率开关管应用时,由于 MOS 管的容性输入特性(其输入端等效于一个小电容器),输入端的开关激励信号实际上是在对“电容”反复充电、放电。在充、放电的过程中, MOS 管的导通和关闭产生了滞后,使“开”与“关”的过程变慢,这是开关元件不能允许的(功耗增加,烧坏开关管)。
如图2.7所示, A 方波为输入端的激励波形,电阻 R 为激励信号内阻,电容 C 为 MOS 管输入端等效电容。激励波形 A 加到输入端,由于对等效电容 C 的充、放电,输入端的实际电压波形变成了畸变波形 B,导致开关管不能正常开关工作而损坏。解决的方法是, R 要足够小,甚至没有阻值,使激励信号能提供足够的电流,让等效电容迅速充、放电,最终使 MOS 开关管迅速“开”、“关”。由于激励信号是有内阻的,激励电流也是有限度的,MOS 开关管的输入部分有必要增加一个减少内阻、增加激励电流的“灌流电路”,如图2.8所示。
在图2.8中,MOS 开关管 Q3 的栅极 S 和激励信号之间增加了 Q1、Q2 两只开关管。Q1、 Q2 均为普通晶体三极管, Q1 为 NPN 型,Q2 为 PNP 型,基极连接在一起。实际上,这两只开关管是一个 PNP+NPN 互补的射极跟随器,等效于两只在方波激励信号控制下轮流导通的开关,如图2.9所示。
当激励方波信号的正半周来到时, Q1(NPN)导通、Q2(PNP)截止,VCC 经过 Q1 导通 对 MOS 开关管 Q3 的栅极充电。由于 Q1 是饱和导通的,VCC 等效于直接加到 MOS 管 Q3 的栅极,瞬间充电电流极大,充电时间极短,保证了 MOS 开关管 Q3 的迅速“开”,如图 2.9(a) 所示。图中的 C 为 MOS 管栅极 S 的等效电容。
当激励方波信号的负半周来到时,Q1(NPN)截止、Q2(PNP)导通,MOS 开关管 Q3 的 栅极所充的电荷经过 Q2 迅速放电。由于 Q2 是饱和导通的,放电时间极短,保证了 MOS 开关 管 Q3 的迅速“关”,如图2.9(b)所示。

图 2.7 图 2.8

(a) (b)
图 2.9
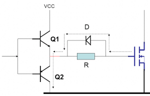
然而,限于制造工艺,MOS 管栅极 S 引线的电流容量有一定的限度,Q1 饱和导通时 VCC 对MOS管栅极 S 充电的巨大瞬时电流极易损坏MOS管的输入端。为了保护MOS管,具体应用时必须采取措施限制瞬时充电的电流值,在栅极的充电电路中串联适当的限流电阻 R,如图2.10(a)所示。限流电阻 R 的阻值,要根据 MOS 管输入电容的大小、激励脉冲的频率及灌流电路 VCC(一般为 12V)的大小决定,一般在数十Ω到100Ω之间。

(a) (b)
图 2.10
增加的限流电阻,使得激励方波负半周 Q2 导通时的放电速度受到了限制(充电时是 VCC 产生电流,放电时是栅极所充的电压 VGS 产生电流,VGS 远远小于 VCC,R 的存在大大降低了 放电速度),MOS 管的开关特性变坏。为了使 R 在放电时不致影响放电速度,充电限流电阻 R 上并联了形成放电通路的二极管 D,图2.10(b)所示。此二极管在放电时导通,在充电时反偏截止。这样,增加了充电限流电阻和放电二极管后,既保证了 MOS 管的安全,又保证了MOS 管的“开”、“关”速度。
另一种灌流电路
某些功率较小的开关电源上,采用了图2.11所示的另一种灌流电路。

(a) (b)
图 2.11
D为充电二极管,Q 为放电三极管(PNP)。在激励方波正半周,D 导通,MOS 管输入端等效电容被充电(此时 Q 截止);在激励方波负半周,D 截止,Q 导通,MOS 管栅极 S 所充电荷通过 Q 放电,MOS 管完成“开”与“关”的动作,如图2.11(b)所示。此电路由激励信号直接“灌流”,要求激励信号源的内阻较低,一般应用在功率较小的开关电源上。

(a) (b)
图 2.12
灌流电路主要是针对 MOS 管作为开关管时防止其容性输入特性引起“开”、“关”动作滞后而设置的电路,当 MOS 管作为其他用途,如线性放大等,就没有必要设置灌流电路。

