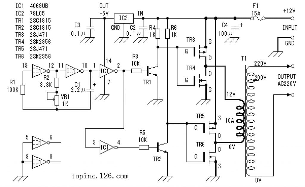
这里介绍的逆变器(见图)主要由MOS场效应管,普通电源变压器构成。其输出功率取决于MOS场效应管和电源变压器的功率,免除了烦琐的变压器绕制。下面介绍该逆变器的工作原理及制作过程。
电路图:

下面我们将详细介绍这个逆变器的工作原理:
方波信号发生器:

这里采用六反相器 CD4069 构成方波信号发生器。电路中 R1 是补偿电阻,用于改善由于电源电压的变化而引起的振荡频率不稳。电路的振荡是通过电容 C1 充放电完成的。其振荡频率为f=1 / 2. 2RC。图示电路的最大频率为: fmax=1 / 2. 2×3. 3×103×2. 2×10- 6=62. 6Hz; 最小频率fm i n=1 / 2. 2×4. 3×103×2. 2×10- 6=48. 0Hz。由于元件的误差,实际值会略有差异。其它多余的反相器,输入端接地避免影响其它电路。
场效应管驱动电路:

由于方波信号发生器输出的振荡信号电压最大振幅为0~5V,为充分驱动电源开关电路,这里用 TR1、TR2 将振荡信号电压放大至0~12V。如上图所示。
MOS 场效应管电源开关电路:
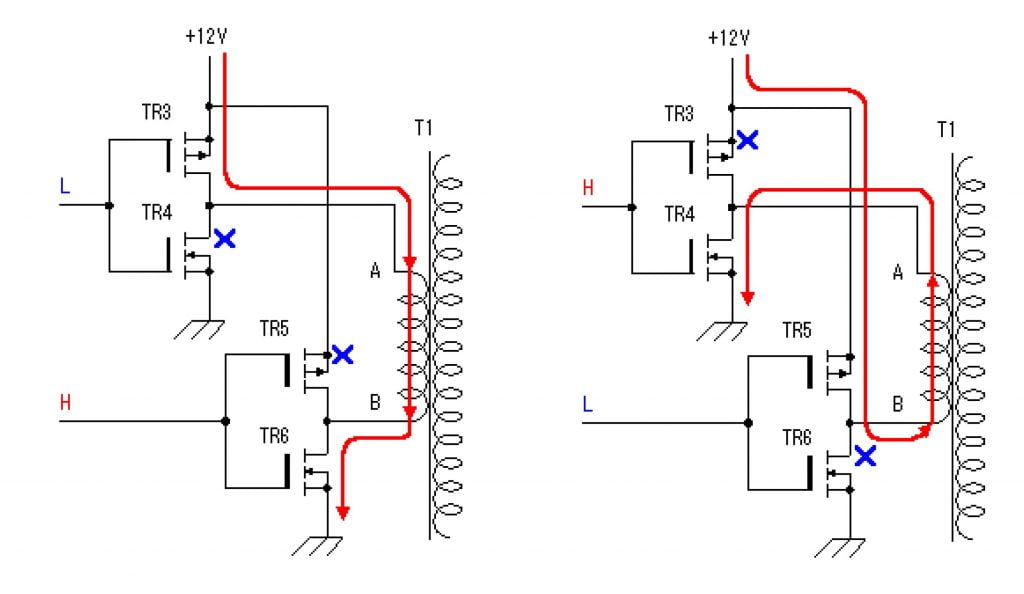
下面简述一下用 C-MOS 场效应管(增强型 MOS 场效应管)组成的应用电路的工作过程(见图)。电路将一个增强型P 沟道 MOS 场效应管和一个增强型N 沟道 MOS 场效应管组合在一起使用。当输入端为低电平时,P 沟道 MOS 场效应管导通,输出端与电源正极接通。当输入端为高电平时,N 沟道 MOS 场效应管导通,输出端与电源地接通。在该电路中,P 沟道 MOS 场效应管和 N 沟道 MOS 场效应管总是在相反的状态下工作,其相位输入端和输出端相反。通过这种工作方式我们可以获得较大的电流输出。同时由于漏电流的影响,使得栅压在还没有到 0V,通常在栅极电压小于1到 2V 时,MOS 场效应管既被关断。不同场效应管其关断电压略有不同。也正因为如此,使得该电路不会因为两管同时导通而造成电源短路。

由以上分析我们可以画出原理图中 MOS 场效应管电路部分的工作过程(见下图)。工作原理同前所述。这种低电压、大电流、频率为 50Hz 的交变信号通过变压器的低压绕组时,会在变压器的高压侧感应出高压交流电压,完成直流到交流的转换。这里需要注意的是,在某些情况下,如振荡部分停止工作时,变压器的低压侧有时会有很大的电流通过,所以该电路的保险丝不能省略或短接。

制作要点:
所用元器件可参考下图。逆变器用的变压器采用次级为 12V、电流为 10A、初级电压为 220V 的成品电源变压器。P 沟道 MOS 场效应管(2SJ471)最大漏极电流为 30A, 在场效应管导通时,漏-源极间电阻为 25 毫欧。此时如果通过 10A 电流时会有 2.5W 的功率消耗。N 沟道 MOS 场效应管(2SK2956)最大漏极电流为 50A,场效应管导通时,漏-源极间电阻为7毫欧,此时如果通过 10A 电流时消耗的功率为0.7W。由此我们也可知在同样的工作电流情况下,2SJ471的发热量约为 2SK2956 的 4倍。所以在考虑散热器时应注意这点。尽管场效应管工作于开关状态时发热量不会很大,出于安全考虑这里选用的散热器稍偏大。


