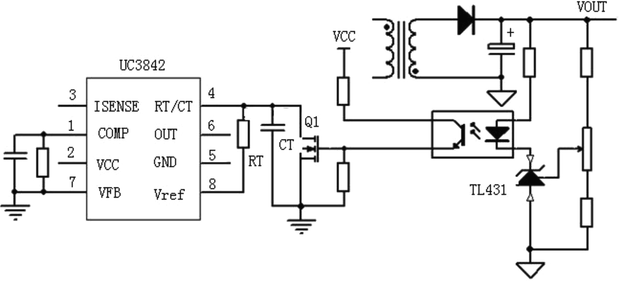
UC3842芯片作为小功率开关电源的PWM脉宽调制芯片,在进行开关电源维修过程中,经常会遇到由于故障引起的uc3842/uc3844不能正常工作,现将电源不能起振或轻微起振(测量输出端电压低),但没有正常工作(表现为8Pin无5V)可能的原因作如下总结:
1、首先检查7Pin所连接的电解电容(或者反馈线圈所连接的电解电容),查看其容量是否符合要求,如该电容容量明显减小,更换后应该不起振的故障就能恢复;如该电容正常,进行下一步检查。
2、在电路板上单独给uc3842/uc3844的7Pin加16V电压,测量其8Pin是否有5V,如果测量8Pin有5V电压存在,则说明此芯片没有问题;如没有5V电压,须将uc3842/uc3844拆下来单独加电16V至7Pin,测量8Pin是否有5V,如果仍然没有5V,则可证明芯片已经损坏;如果测量8Pin有5V存在,则应该是与8Pin相连接的外围元器件与地之间有短路存在。此步骤主要是检测c3842/uc3844芯片本身是否损坏,如果芯片没有损坏,基本可以排除故障出在初级部分,可以进行下一步检查。(附:检测uc3842/uc3844芯片损坏与否的另一种方法为:在检测完芯片外围元器件(或更换完外围损坏的元器件)后,先不装电源开关管,加输入电测uc3842/uc3844的7Pin电压,若电压在10—17V间波动,其余各脚分别也有电压波动,则说明电路已起振,uc3842基本正常,若7脚电压低,其余管脚无电压或电压不波动,则uc3842/uc3844已损坏。)
3、检查次级侧,推测应该是次级由于输出过载或短路,导致电流增大,进而反映到初级侧使uc3842/uc3844芯片的3Pin实现保护,这就需要对次级侧实现过流保护功能的电子元器件进行逐一测量,直至查出故障。现将uc3842/uc3844芯片正常工作时主要引脚电压列于下面:
1脚(误差信号放大输出)COMP-OUT:3.5V;2脚(反馈输入) FB(-)IN:2.5V;3脚(开关管过流检测)LSNS-IN:0.5mV;4脚(震荡电路时间常数)RT/CT:2.4V;5脚(地) GND:0V;6脚(开关管驱动脉冲输出)V-OUT:1.2V;7脚(电源)Vcc-IN:14V;8脚(5V基准电压)VREF-OUT:5V。
电源电压根据不同电路会不同,关键点是8脚的基准电压,这个要是不对芯片绝对是坏了。
一同行送来一西门子75KW的驱动板电源,主诉为电源有尖叫声,开关管发烫,而次极电压“正常”。电路板几乎已被同行“通扫”。我接手后初步检测整个电路无大问题,通电后果然听到有尖叫声,不到1分钟开关管散热片就已烫手。开关电源有尖叫声一般为两种情况:一是开关频率低,二是次极有短路。再次通电测量UC3844“VCC”“Vref”等电压正常,断电后手摸变压器无任何温升!
因变压器无发热现象,排除次极短路情况。而开关频率低的话一般不会引起开关管发热如此之快甚至根本不过热。那么必定是开关管及其外围驱动电路异常引起开关管的损耗增大。换开关管试机,情况依旧。当测量UC3844驱动脚到开关管G极电路时发现22Ω电阻变值。换一新的贴片电阻试机,开关电源工作正常。
回过头来再测量原来的电阻发现阻值已变大为Ω。当它变值后和开关管G-S极27KΩ的电阻“分压”导致开关管实际驱动电压幅度下降,驱动波形前后沿变形,而这是场效应管所不能容忍的,故而发现强烈**的尖叫声。
该电源板从接手到排除故障费时不过十来分钟,细心的你可知我在其中一共使用了“几板斧”。
开关电源3842检修流程使用3842的开关电源外围大同小异,检修方法基本一样,以下流程检修的前提:开关管无短路,开关管对地限流保护电阻无开路,在通电时开关管不会马上击穿,切记:先测3842(7)脚的15V供电是否正常: 没有电压,就检查启动电阻,或启动电路(部分机型7脚供电使用单独的一个二极管整流),或7脚对地稳压管短路;有电压但是高,换(7)脚对地滤波电容,100UF/50V;有电压但是电压低且波动,3842的调整电路故障。 7脚电压正常;关机测300V电压消失速度: 能很快消失,那电源起振,检查(3)脚对地1K电阻和对地稳压管电压不消失,故障点为3842未起振,检查3842(1)(2)脚外围电阻、电位器和更换3842自身。3、7脚电压低且波动:重点检查FBT同步反馈电路的二极管;有光耦的机型检查后级光耦输入端,重点检查IC(LM431)周边。
3842的引脚介绍及好坏判断(1)脚误差信号放大输出(2)脚反馈输入(3)脚开关管过流检测(4)脚震荡电路时间常数(5)脚地(6)脚开关管驱动脉冲输出(7)脚电源(8)脚5V基准电压。
好坏的简单判断用47型万用表Rx1挡,黒表笔接地,红表笔分别测量各脚,表针应摆在中间偏左一点的位置,交换表笔测量,表笔应该不动,如某脚阻值不对,可悬空该脚再测,看是外围元件问题还是集成块的问题电压测试,不装场效应管直接给3842通电,(8)脚电压1V左右摆动。(7)脚电压12—15V摆动。(6)脚电压摆动。这样即可判断3842是好的以3842为PWM控制的电源,只要采用启动电阻电路的,第8脚的电压在电源不工作时是没有5V基准电压的,除非你另使用外加的电源供电!在这种情况下,以第8脚有没有5V基准电压来判断故障是没有意义的! 补充一点,3842在不接入开关管时,第6脚有左右的电压均可认为电路基本正常。此时接入开关管后电源仍不工作,则要看开关管的G极有没有与第6脚相同的电压,没有的话就要检查该支路的电阻、二极管、稳压管。 如果接入开关管后,开关管的G极与3842的第6脚同时没有电压,则就要检查第1、2、3脚的电压是否正常(正常电压见我的《[讨论]显示器疑难故障维修一例》),不正常就要查相关的电路。
1、第7脚有13~15 V跳动属正常,因为这是启动电压,在通电的瞬间是会有大于16V的启动电压的。判断启动电压是否正常,可断开输入第7脚的线路,只要大于16V以上的都正常。如果该电压不正常(偏小或不跳动),而断开输入第7脚的线路,电压又大于16V,则多数3842损坏(还要参考其它脚的电压)。
2、第3脚是过流保护,过流取样电压只在通电的一瞬间才有,只要有不大于1V以上的电压都属正常。是否为0V,则要看具体电路有没有提供偏置电压。通常会有零点几伏的电压。
3、第8脚的基准电压只能在电源正常工作时,或者你另提供工作电压给第7脚时才有。故障时是不能以它有没有为判断依据。通常我是不以该脚电压为参考依据,除非电源输出不正常才有参考价值。
4、另外要注意的还有第1、2脚的电压,它们是稳压和过压保护端,1脚不能等于0V,不大于多少视电路实际结构而定,通常在左右(电源不工作时)或左右(电源工作时)。而2脚不能大于以上。当输出电压高时则考虑该脚电压偏低。通常在~左右(电源不工作时)或左右(电源工作时),具体多少看电路结构。
5、对于3842这类电源维修,通常我是断开开关管的D(或者C)极供电线路,相当于不接入开关管,再测3842各脚电压,与正常时电压比较,查找电压不正常脚的原因并排除。
正常时的电压参数靠平时积累和统计得到的,因此希望大家平时养成做记录的习惯,积累资料。

