液晶显示器的主开关电源与阴极射线管 (CRT)显示器的开关电源在工作原理上是一样的,不同之处在于前者只有一路直流电压输出,而后者一般都有4路以上的直流输出电压,所以两者在电路上也有所区别。其次液晶显示器主电源使用的控制芯片也与CRT显示器普遍使用的控制芯片不一样,尽管有的液晶显示器也采用了CRT显示器常用的UC3842控制芯片,但总体来说,上述差别还是很明显的。
以SG6841为核心的主开关电源
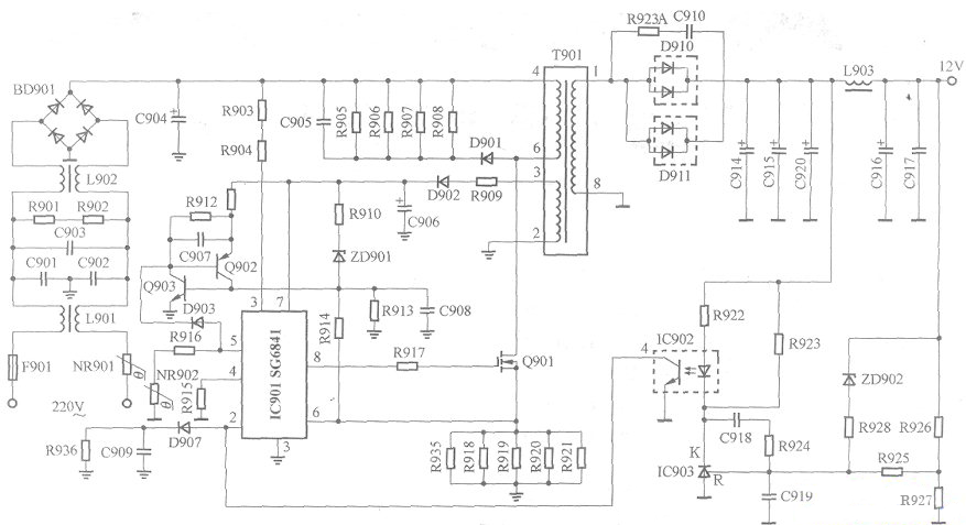
SG6841是由System General祟贸科技开发的一款高性能固定频率电流模式控制器,专为离线式和DC/DC变换器应用而设计。它属于电流型单踹PWM调制器,具有管脚数量少、外围电路简单、安装调试简便、性能优良、价格低廉等优点,可精确地控制占空比,实现稳压输出,还拥有低待机功耗和众多保护功能,所以,该芯片在实际中得到广泛的应用。其内部结构见上图,各引脚功能和实测电压值见下表,此数据是在七喜HLl704A型显示器中实测的。下图是一款比较典型的液晶显示器主开关电源电路,现介绍其工作原理。
引脚号 | 符号 | 功能说明 | 正常工作电压(V) |
1 | GND | 接地端 | 0 |
2 | FB | 反馈脚 | 1.82 |
3 | VIN | 启动电压输入 | 20.6 |
4 | RI | PWM的频率设定 | 1.28 |
5 | RT | 温度保护,实际上 | 4.65 |
还用于过压保护 | |||
6 | SENSE | 电流感应输入 | 0。O1 |
7 | VDD | 电源端 | 17.5 |
| 8 | GATE | PWMI驱动脉冲输出 | 1.52 |

(1)启动、振荡与输出:交流220V电压经保险丝管F901 和热敏电阻NR901 选人由抗干扰变压器L901、L902和R901、R902、C901-C903组成的抗干扰电路滤除交流干扰后,进人整流桥BD901 进行整流,输出约300V的直流电压。300V电压分两路进入电源电路:一路经开关变压器T901 的4-6绕组加到开关场效应管Q901的D极,为 Q901供电 ;另一路经启动电阻R903、R904加到IC901(SG6841)的启动端3脚 (VIN),为3脚提供一个30UA的启动电流,使芯片启动,振荡电路进入工作状态。实践表明,在AC输入90V-264V的范围内均可实现SG6841 的有效启动。
SG6841启动后,其8脚 (GATE端)输出PWM控制脉冲,驱动开关管Q901工作,开关变压器T901 的8-1绕组输出的感应电动势,经二极管D910、D911整流形成直流电压,经各滤波电容滤除交流干扰后,输出 l2V电压,为各电路供电。同时,T901的3-2绕组输出的感应电动势经R909限流、二极管D902整流、C906滤波形成直流电压为7脚提供持续的供电,维持着IC901的正常工作状态。
(2)稳压控制:稳压控制电路由取样电阻R926、R927和R925、精密稳压源IC903 (TL431)以及光电耦合器IC902 (TFl23FY)等元器件和IC901的2脚内部电路组成。当输出电压为 l2V时,IC903的R极电压正好为2.5V。当某种原因使输出电压升高超过l2V时,IC903的 R极电压会大于2.5V,根据该精密稳压源的特点,此时其K极电压会降低,因而会使得流过IC902内部发光二极管的电流增大,二极管发光亮度增加,使得IC902内部的光敏三极管导通程度增强,其4脚电压降低,这导致IC901 的2 脚FB端电压降低,于是IC901 的8 脚(GATE端)的输出脉冲占空比变小,输出端电压下降。当电压低于l2V时,控制过程相反,使输出电压升高,此过程读者可自行分析。
(3)过压保护:IC901的5脚是过热保护端,通常还同时用作过压保护。该开关电源的过压保护电路由稳压二极管ZD901、三极管Q902、Q903和D903以及IC901的5脚内部电路组成。当某种原因引起输出电压升高时,T901的3-2绕组电压也会同步升高,若D902负极电压超过20V以上,ZD901齐纳导通,使得Q903、Q902也导通。Q903导通后,IC901的5脚(RT端)通过二极管D903对地放电,产生瞬间的短路电流,拉低5脚电位,使之大大低于0.65V,经5脚内部电路检测后自动使8脚输出的PWM驱动脉冲降低到0V,使保护电路免受高压危害。同时Q902的导通也拉低了输入到IC901的7脚电压,使IC901停止工作。以上两个支路同时工作,达到了过压保护的目的。
5脚外接的电阻NR902为负温度系数热敏电阻,它的特性是其阻值随着温度的升高而减小。因此,IC901的5脚电压随着温度的升高而降低,当温度升高使5脚电压略低于0.65V时,PWM脉冲的占空比会减小,从而降低电源输出电压来降低温度。当环境温度过高,RT端电压大大低于0.65V时,PWM脉冲的占空比会减少至零,从而使电源完全停止输出,实现了超温保护。
(4)欠压保护:欠压保护是本芯片自身具有的一个功能。当7脚电压低于10V时,IC901内部的欠压锁定器的输出变为低电平,PWM驱动脉冲变为0V,整个电路停止工作。
(5)过流保护;过流保护电路由取样电阻R935、R918~R921以及IC901的6脚内部电路组成。当负载短路或其他原因引起开关管Q901电流增加时,取样电阻上的电压升高。当IC901的6脚电压达到0.85V时,1C901的8脚即停止PWM脉冲输出,有效地保护开关管不受损坏,从而实现过流保护。
(6)节能状态:本芯片具有自动检测显示器节能模式的功能,这个功能通过2脚内部电路来完成。当主机进入节能状态后,由于负载变轻或者消失,会使得2脚电压变低,当2脚电压低于一个阈值电压时,IC901会自动识别并进入节能模式,其PWM工作频率会迅速降低至10kHz左右,功率大幅度减小,此时仍能维持着稳定的12V电压输出。


